Grey Pneumatic
Grey Pneumatic 5 Piece 1/2 Drive Axle Nut Impact Socket Set (Metric) 1705SN
Features
Set contains five (5) popular spindle nut impact socket sizes. These sockets areof a heavy duty design made specifically to remove spindle nuts on passenger and light trucks. They are also useful in any application that requires a heavy duty socket.
Includes
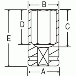
| Item# | Size | A | B | C | D | E |
|---|---|---|---|---|---|---|
| 2730MD | 30mm | 43 | 43 | 72 | 21.5 | 89 |
| 2732MD | 32mm | 43 | 45 | 72 | 21.5 | 89 |
| 2734MD | 34mm | 43 | 48 | 72 | 21.5 | 89 |
| 2735MD | 35mm | 43 | 50 | 72 | 21.5 | 89 |
| 2736MD | 36mm | 43 | 52 | 72 | 21.5 | 89 |
“
| OPT SKU | GPN1705SN |
|---|---|
| MPN | 1705SN |
| UPC/GTIN | 838780000510 |
| Product Type | 1/2″ Impact Sockets |
| Google Category | Hardware > Tool Accessories > Tool Sockets |
| Anvil | 1/2″ |
| Package | Kit/Set |
| Shipping Weight | 10.00 |








Reviews
There are no reviews yet.